Loading...
首页
公司简介
公司简介
企业文化
组织架构
生产车间
企业荣誉
企业荣誉
产品中心
箱式变电站
预制舱变电站
高压成套开关柜
低压成套开关柜
高低压电缆分接箱
固体柜/绝缘柜
元器件系列
隔离开关
新闻资讯
公司新闻
行业新闻
人才招聘
人才招聘
毛隧自荐
客服中心
联系我们
留言中心
English
语言
中文
English
您的位置:
首页
-
产品中心
-
GW4-10#GW-15#GW4-40.5#GW4-66#GW4-110户外高压隔离开关
产品中心
箱式变电站
预制舱变电站
高压成套开关柜
低压成套开关柜
高低压电缆分接箱
固体柜/绝缘柜
元器件系列
隔离开关
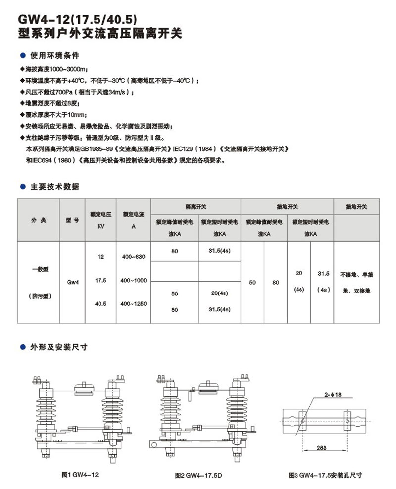
GW4-10#GW-15#GW4-40.5#GW4-66#GW4-110户外高压隔离开关
联系我们
电话:0577-6268 0726
手机:133 9697 9678
邮箱:649205847@qq.com
网址:www.cnwzdq.com
133 9697 9678
产品描述
上一个
下一个